< img height="1" width="1" style="display:none" src="https://a.gdt.qq.com/pixel?user_action_set_id=1106940728&action_type=PAGE_VIEW&noscript=1 "/>
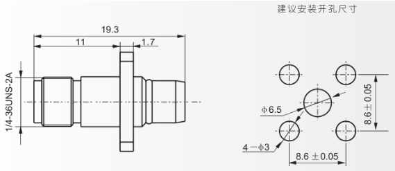
SMA/BMA-KFJ

    SMA/BMA-KFJ

    BMA系列产品是国际上这几年才发展起来的一种盲配的新型射频同轴连接器。可用于各种微波电路的连接,尤其适用于机箱,机柜的盲插合,有利于雷达等整机系统的模块化。
    BMA系列产品从结构上讲是SMA系列的推入式变形,接口界面采用空气界面,使用频率达到18GHz,它的优点是: 体积小,接触可靠,机械电气性能优越,对接方便等。近几年来,在国内外得到越来越广泛的应用。

    1. 基本信息
    2. 产品参数
    3. 文件下载

    基本信息.png

    image.png

    联系电话:021-52962886    传真:021-52962802    邮箱:peak@shpeak.com    地址:上海市闵行区中春路6818弄10号3A01(海琪大厦)
    2022-2023版权所有@上海宗进电子科技有限公司 沪ICP备09019403号